Loading...
Message Dialog
Close
Display Update Message
Product Comparison
The maximum number of products that can be compared is 4. Please refine your selection.
Your session is about to timeout due to inactivity. Click OK to extend your time for an additional 0 minutes.
×
This item has been successfully added to your list.
JavaScript must be enabled in order for you to uses this site. However, it seems JavaScript is either disabled or not supported by your browser. Enable JavaScript by changing your browser options, and then try again.
Technical Support:
1.877.694.4932
(8 a.m. - 8 p.m. EST)
Quotes
RenovationsPlus
Saved Lists
Order History & Status
Frequently Purchased
Invoices
HD Supply Logo
Created with Sketch.
Search
Search
Suggested keywords menu
Suggested site content and search history menu
Search
Account
Register OR Sign in
0
My Cart
$0.00
Successfully added to your shopping cart
Shop by Category
Return to Menu
Services
Return to Menu
All
Services
Custom Products
Return to
Services
All Custom Products
Order Forms
Doors & Rekeying
Cabinets & Countertops
Window Coverings & Screens
Mirrors & Glass
Custom Paint
Peachtree Marketing
Signs
RenovationsPlus
Return to
Services
All RenovationsPlus
Renovations & Turns
Installation Services
Kitting & Delivery
My HVAC Advisor™
My Green Team™
Installation Services
Business Services
Return to
Services
All Business Services
Bin Labels
My Inventory Solutions™
Customized Reports
Financing
Product Support
Strategic Account Management
My Inventory Solutions
Order Services
Return to
Services
All Order Services
Appliance Delivery
Delivery Services
Package Tracking
Special Orders
My Subscriptions
Professional Training
Online Solutions
Return to
Services
All Online Solutions
Mobile App
Electronic Invoicing
Online Payment Services
e-Procurement
Punch-In
Digital Order Workflow
Small Business Solutions
Resources
Return to Menu
All
Resources
A2L Regulations
Product Resources
Return to
Resources
All Product Resources
Appliances
Electrical
Exclusive Brands
Flooring & Ceiling
Grounds Control & Maintenance
Healthcare
Hospitality
HVAC
Janitorial
Lighting
Paint
Plumbing
Pool Care & Maintenance
Safety
Signs
Emergency Preparedness
Return to
Resources
All Emergency Preparedness
Drought
Earthquakes
Extreme Heat
Fires
Floods
Hazardous Materials
Hurricanes
Power Outages
Tornadoes
Wildfires
Winter Storms
Shop Talk: Helpful Tips
Events & Trade Shows
Guides & Checklists
Return to
Resources
All Guides & Checklists
LED Lighting Map & Guide
Refrigerant Transition Guide
Top Brands
Legal Information
Return to
Resources
All Legal Information
Product Recalls
W-9 Tax ID Form
Safety Data Sheets
Government Resources
Return to
Resources
All Government Resources
AbilityOne Program
GSA Schedule
Inspections
OMNIA Partners Contract
NASPO ValuePoint
Sustainability
Property Turns
Student Turns
Property Management Tips
Commercial Maintenance
Offers
eCATALOGS
My Repair Parts
Quick Order
One or more part # you entered is invalid. Please remove them.
Part #
Quantity
1.
−
+
Please enter a valid part number.
2.
−
+
Please enter a valid part number.
3.
−
+
Please enter a valid part number.
4.
−
+
Please enter a valid part number.
5.
−
+
Please enter a valid part number.
6.
−
+
Please enter a valid part number.
7.
−
+
8.
−
+
9.
−
+
10.
−
+
11.
−
+
12.
−
+
Search
Search
Suggested keywords menu
Suggested site content and search history menu
Search
0
Sign In
Register
“
Quotes
Saved Lists
Frequently Purchased
Order History & Status
RenovationsPlus
Invoices
Home
Shop by Category
Return to Menu
Services
Return to Menu
All
Services
Custom Products
Return to
Services
All Custom Products
Order Forms
Doors & Rekeying
Cabinets & Countertops
Window Coverings & Screens
Mirrors & Glass
Custom Paint
Peachtree Marketing
Signs
RenovationsPlus
Return to
Services
All RenovationsPlus
Renovations & Turns
Installation Services
Kitting & Delivery
My HVAC Advisor™
My Green Team™
Installation Services
Business Services
Return to
Services
All Business Services
Bin Labels
My Inventory Solutions™
Customized Reports
Financing
Product Support
Strategic Account Management
My Inventory Solutions
Order Services
Return to
Services
All Order Services
Appliance Delivery
Delivery Services
Package Tracking
Special Orders
My Subscriptions
Professional Training
Online Solutions
Return to
Services
All Online Solutions
Mobile App
Electronic Invoicing
Online Payment Services
e-Procurement
Punch-In
Digital Order Workflow
Small Business Solutions
Resources
Return to Menu
All
Resources
A2L Regulations
Product Resources
Return to
Resources
All Product Resources
Appliances
Electrical
Exclusive Brands
Flooring & Ceiling
Grounds Control & Maintenance
Healthcare
Hospitality
HVAC
Janitorial
Lighting
Paint
Plumbing
Pool Care & Maintenance
Safety
Signs
Emergency Preparedness
Return to
Resources
All Emergency Preparedness
Drought
Earthquakes
Extreme Heat
Fires
Floods
Hazardous Materials
Hurricanes
Power Outages
Tornadoes
Wildfires
Winter Storms
Shop Talk: Helpful Tips
Events & Trade Shows
Guides & Checklists
Return to
Resources
All Guides & Checklists
LED Lighting Map & Guide
Refrigerant Transition Guide
Top Brands
Legal Information
Return to
Resources
All Legal Information
Product Recalls
W-9 Tax ID Form
Safety Data Sheets
Government Resources
Return to
Resources
All Government Resources
AbilityOne Program
GSA Schedule
Inspections
OMNIA Partners Contract
NASPO ValuePoint
Sustainability
Property Turns
Student Turns
Property Management Tips
Commercial Maintenance
Offers
eCatalogs
My Repair Parts
Quick Order
Back to Assembly Products
Print
Email
GE
GE ENERGY STAR 25.7 Cu. Ft. French Door Refrigerator With Ice Maker, Stainless Steel, ADA
MODEL
GFE26JSMAFSS
HDS PART
229884
Print
Email
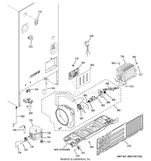
MACHINE COMPARTMENT
Sort By:
Relevance
Brand
Product Name
Price: Low to High
Price: High to Low
32
Results
Sort By:
Relevance
Brand
Product Name
Price: Low to High
Price: High to Low
32
Results
193. Part
WR02X30155
DRAIN TUBE
This part is only available through our special order form or by calling
1.800.431.3003
Special Order
194. Part
WR02X10522
CLAMP TUBE
This part is only available through our special order form or by calling
1.800.431.3003
Special Order
215. Part
WR02X10663
STAND OFF
This part is only available through our special order form or by calling
1.800.431.3003
Special Order
315. Part
WR02X30159
MOBILITY WHEEL
This part is only available through our special order form or by calling
1.800.431.3003
Special Order
316. Part
WR02X30160
MOBILITY WHEEL PIN
This part is only available through our special order form or by calling
1.800.431.3003
Special Order
616. Part
WR82X22767
COVER ACCESS ASM
This part is only available through our special order form or by calling
1.800.431.3003
Special Order
626. Part
409578
GE Replacement Lower Cabinet Harness For Refrigerator, Part# Wr23x30131
$44.99
Add to Cart
View Details
670. Part
WR02X25048
UNION CONNECTOR 1/4
This part is only available through our special order form or by calling
1.800.431.3003
Special Order
725. Part
WR87X10224
COMPRESSOR KIT EGYS60
This part is only available through our special order form or by calling
1.800.431.3003
Special Order
729. Part
WR55X23731
CAPACITOR 12 UF
This part is only available through our special order form or by calling
1.800.431.3003
Special Order
730. Part
WR87X29574
CONDENSER
This part is only available through our special order form or by calling
1.800.431.3003
Special Order
734. Part
WR02X26735
CLIP RETAINER MEI
This part is only available through our special order form or by calling
1.800.431.3003
Special Order
735. Part
OVERLOAD PTCR COMBO
Add to Cart
736. Part
592599
General Electric Replacement Clip, Part #wr2x8203
$5.50
Add to Cart
737. Part
844279
Ge Replacement Grommet For Refrigerator-Freezer-Water Heater, Part# Wr02x10099
Sign in for price
Add to Cart
View Details
740. Part
WR86X0096
P/S DRYER KIT R134A
This part is only available through our special order form or by calling
1.800.431.3003
Special Order
741. Part
WR01X1779
STUD MTG COMPR
This part is only available through our special order form or by calling
1.800.431.3003
Special Order
775. Part
WR17X13124
COVER WATER LINE
This part is only available through our special order form or by calling
1.800.431.3003
Special Order
800. Part
WR57X26303
VALVE & GUARD ASM
This part is only available through our special order form or by calling
1.800.431.3003
Special Order
801. Part
WR55X30255
MAIN CONTROL BOARD
This part is only available through our special order form or by calling
1.800.431.3003
Special Order
803. Part
WR02X12025
MAIN BOARD ENCLOSURE ASM
This part is only available through our special order form or by calling
1.800.431.3003
Special Order
917. Part
409139
GE Replacement Sound Damper For Refrigerator, Part# Wr02x13573
$9.99
Add to Cart
View Details
942. Part
WR01X10252
SCREW 10-32 TT HXW 5/16
This part is only available through our special order form or by calling
1.800.431.3003
Special Order
943. Part
WR01X25308
SCR 10-16 B HXW 1/4 S
This part is only available through our special order form or by calling
1.800.431.3003
Special Order
980. Part
WR60X29573
CONDENSER FAN & HOUSING
This part is only available through our special order form or by calling
1.800.431.3003
Special Order
982. Part
409018
GE Replacement Water Supply Tube For Refrigerator, Part# Wr02x13774
$33.99
Add to Cart
View Details
983. Part
WR02X10521
BRKT COND FAN (MTG)
This part is only available through our special order form or by calling
1.800.431.3003
Special Order
984. Part
GROMMET FAN MOTOR
Add to Cart
985. Part
WR02X10593
BRACKET COND FAN (REAR)
This part is only available through our special order form or by calling
1.800.431.3003
Special Order
986. Part
148966
GE Replacement Compression Ring For Refrigerator, Part#wr02x12149
Sign in for price
Add to Cart
View Details
987. Part
625929
Ge Replacement Condenser Fan For Refrigerator, Part #wr60x24484
Sign in for price
Add to Cart
View Details
988. Part
WR60X24483
MOTOR DC COND FAN
This part is only available through our special order form or by calling
1.800.431.3003
Special Order